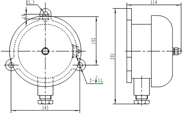
DLB2-36C、DLB2-127C矿用隔爆型电铃(以下简称电铃),主要适用于具有爆炸性气体(甲烷)空气混合物的煤矿井下,在交流36V或127V、50Hz供电网路中,接受打点器、接引开关、控制按钮的信号,发出断续或连续音响,作信号联接或警示之用。
本产品按MT428-2008《煤矿用隔爆型电铃》有关标准设计、制造与检验。
产品特点:电磁吸合 稳定可靠
执行标准:
MT428-2008、
GB3836.1~3-2010
防爆型式:矿用隔爆型
防爆标志为ExdI Mb。
| 额定工作电压 (V) | 额定工作电流 (A) | 控制回路电压 (V) | 保护型式 | 引入电缆外径φ (mm) 型号工作电压工作电流铃响绝缘耐压最大电缆外径(V)(A)(V)(mm)DLB2-36C360.9≥95db1000Φ12-Φ16DLB2-127C1270.35≥95db2000Φ12-Φ16 | 防爆标志 | |
| 主回路 | 控制路 | |||||
| 1140、660 | 200 | 17/36/220 | 电子保护 | 36 | 10~20 | Exd[ib]I Mb |










