DGB05系列低温电动缸为线性运动应用中的液压缸和汽缸提供了一种理想的替代方案,和许多国产品牌的电动缸不同,TYT(天誉创新)的DGB05系列微型电动缸采用高性能滚珠丝杠传动,具有寿命长,抗冲击力性能强等优点,这些优势使得TYT电动比其他竞争产品更适合用于工业自动化,国防军工领域的全电动线性传动应用!
TYT全新DGB05系列低温电动缸传动装置旨在帮助您节约时间和金钱的同时,为您提供更加卓越的性能,而且更容易调整产品尺寸和选择,快速可靠地完成安装,并减少维护工作。
根据您的需求定制解决方案,可选择行业最长的行程距离,利用适用于600多种伺服电机类型和尺寸的即插即用安装解决方案。利用DGB05系列低温电动缸优异的功率密度,您可以构建更加安静、更加紧凑的机器。
此款低温电动缸搭配说明:天誉DGB05-05-50-R-1-N微型电动缸+JARRETT低温伺服电机LT0601-2230-I25D-NKSW,可在-25度环境下正常工作。
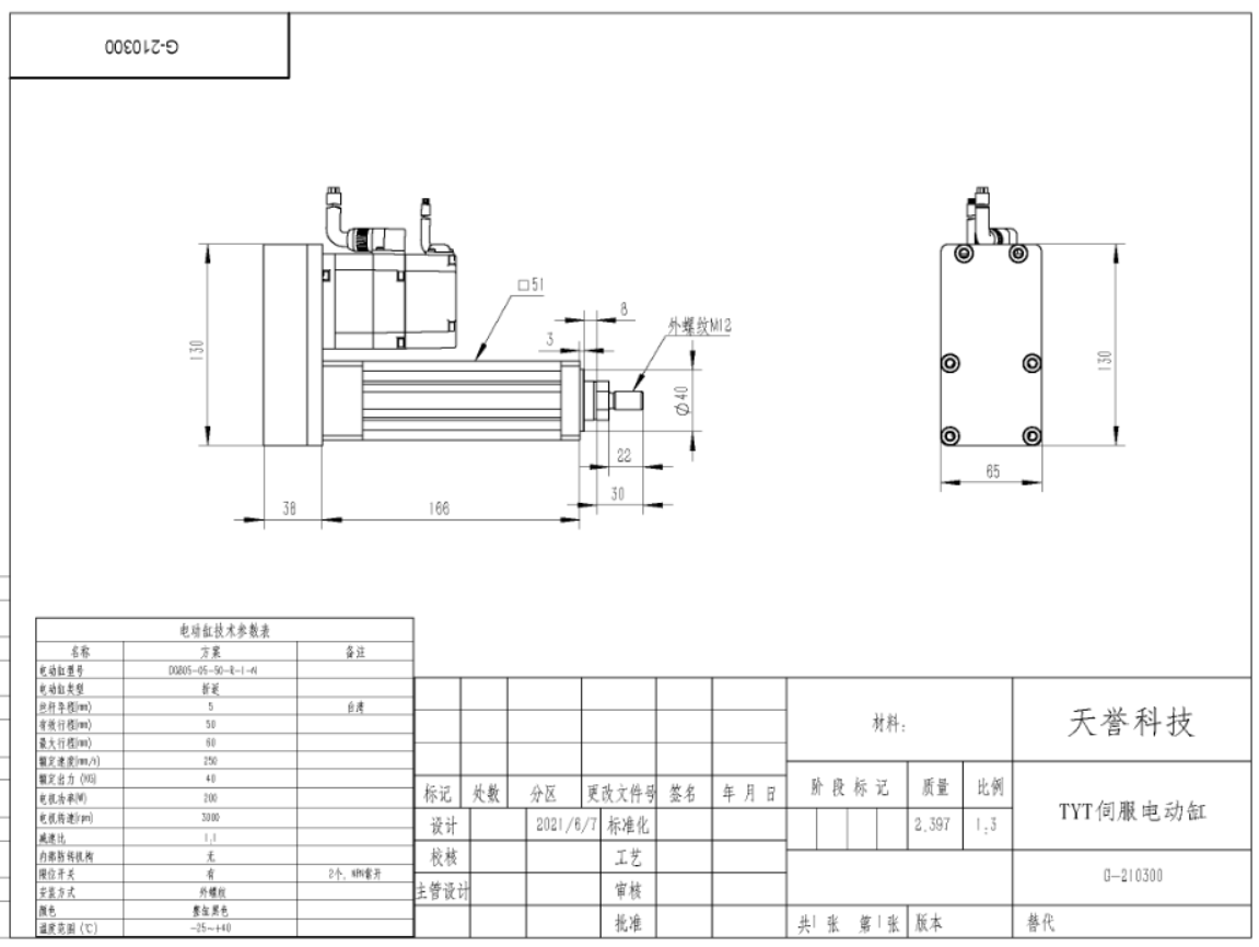
1、DGB05-05-50-R-1-N电动缸技术参数
• 推力:400 N
• 行程:50 mm
• 速度:250mm/s
• 螺纹导程:5mm
• 重复精度:± 0.05 mm
• IP54/IP65/IP67可选,标准是IP54
• 安装方式:标准外螺纹+尾部固定
2、杰瑞特低温伺服电机LT0601-2230-I25D-NKSW技术参数
电压:24V
功率:200W
转速:3000RPM
反馈:增量2500线编码器 不带刹车
工作环境温度:-25°-﹢55°
注:DGB05系列微型电动缸可选配步进电机、增量编码器伺服电机、旋转变压器伺服电机和绝对值编码器伺服电机,同时可以定制-40度恶劣环境下的低温电动缸。
3、DGB05-05-50-R-1-N 电动缸安装尺寸
















