发布询价单
您的位置:首页 > 产品 > 工业机器人 > 产品详情

RS010L机器人

RS010L机器人

  • 最小起订:1 
  • 供货总量:
  • 有效期至:长期有效
  • 更新时间:2022-01-13 14:09
  • 立即询价

    加入收藏

    中国AGV网(www.chinaagv.com)客服咨询

普通商家

热门推荐

产品详情

产品参数

产品图片

高速、高性能的行业机器人

R系列机器人为所有小中型工业机器人设定了基准。紧凑的设计和速度、伸展距离和工作范围使R系列机器人适用于遍及众多不同行业的广泛应用范围。

RS010L概述:

负载                    10 kg

水平伸展距离      1,925 mm

垂直伸展距离      3,478 mm

重复性                ±0.06 mm

最大速度            13,100 mm/s

应用:

装配    机器管护     物料搬运   材料去除    封箱/点胶

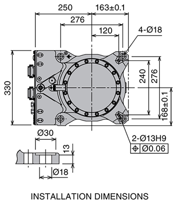
运动范围与尺寸

图中所示尺寸单位为毫米(mm)