发布询价单
您的位置:首页 > 产品 > 工业机器人 > 产品详情

自动搬运机器人

自动搬运机器人

  • 最小起订:1 
  • 供货总量:
  • 有效期至:长期有效
  • 更新时间:2021-12-29 09:31
  • 立即询价

    加入收藏

    中国AGV网(www.chinaagv.com)客服咨询

普通商家

热门推荐

产品详情

产品参数

产品图片

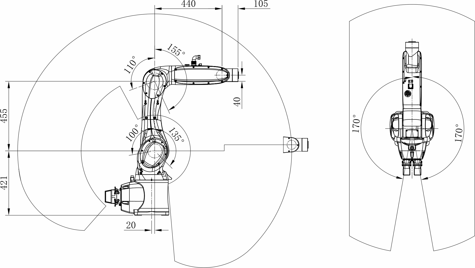
· 极精设计,造就比同级别更加的苗条身材,所以即使安装在狭小的空间使用,同时把机器人手臂与周围设备发生碰撞的可能性控制在极低限度。卡诺普机器人

· 臂长可达915MM。

· 较同级别机器人更轻的结构设计,能够容易安装在方案内部或者倒装安装。

· 采用高刚性手臂和尖端的伺服控制技术,实现高速稳定且平滑的动作性能。

· 手腕负载容量大,额定负载6KG,可以轻松应对多种应用场合。搬运机器人

· 采用线缆内置技术,治具导管和电缆不会缠绕手臂。采用密封结构,可应用于粉尘或者油雾环境。  

工作范围: