发布询价单
您的位置:首页 > 产品 > 零部件 > 产品详情

薄壁型轴承

薄壁型轴承

  • 最小起订:1 
  • 供货总量:
  • 有效期至:长期有效
  • 更新时间:2020-02-14 11:03
  • 立即询价

    加入收藏

    中国AGV网(www.chinaagv.com)客服咨询

普通商家

热门推荐

产品详情

产品参数

产品图片


1. 为了得到轴承的低摩擦扭矩、高刚性、良好的回转精度,使用了小外径的钢球。

2. 中空轴的使用,确保了轻量化和配线的空间。

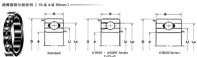
3. 薄壁型6700、6800系列的内径从φ10~φ45mm、并有各种防尘盖形式、带法兰形式、不锈钢形式、宽幅形式等,品种齐全

薄壁轴承公制系列尺寸范围为10mm~90mm,薄壁型轴承实现了极薄型的轴承断面,也实现了产品的小型化、轻量化。产品的多样性扩展了其用途范围。