您好,
欢迎访问
中国AGV网(www.chinaagv.com)
!
帐号管理
收藏夹
退出
消息
0
请登录
免费注册
手机关注
微信号:chinaagv
关注官方微信
m.chinaagv.com
手机扫码看新闻
我的办公室
销售
发布产品
管理产品
求购
发布求购
管理求购
添加收藏
关于我们
广告服务
广告服务
关键词排名
会员升级
帮助中心
常见问题
买家帮助
卖家帮助
问题反馈
网站导航
资讯
企业
品牌
产品
采购
视频
展会
专题
招聘
求职
首页
资讯
企业
品牌
产品
采购
视频
展会
专题
招聘
求职
安全
地图
自动导向车
服务机器人
特种机器人
自动化系统
零部件
资讯
资讯
企业
品牌
产品
采购
视频
展会
专题
招聘
求职
搜索
发布询价单
全部产品分类
自动导向车
导引形式
坐标自动导引车
电磁自动导引车
磁带自动导引车
光学自动导引车
激光自动导引车
惯性自动导引车
视觉自动导引车
自主行走机器人
驱动形式
单轮驱动自动导引车
双轮驱动自动导引车
多轮驱动自动导引车
移载形式
叉车式自动导引车
搬运型自动导引车
装配型自动导引车
牵引式自动导引车
举升式自动导向车
台车型自动导引车
潜伏式自动导引车
背负式自动导引车
重载型自动导引车
越野型自动导引车
辊筒式自动导引车
港口装卸自动导引车
专用搬运车辆
轨道制导车辆
复合机器人平台
物流仓储机器人
自动导向车
工业机器人
移动机器人
无人地面车
装配机器人
搬运机器人
喷涂机器人
配送机器人
焊接机器人
码垛机器人
有轨穿梭小车
清洁机器人
冲压机器人
切割机器人
水平多关节机器人
直角坐标机器人
协作机器人
真空机器人
并联机器人
工艺机器人
串联机器人
桁架机器人
加工机器人
末端执行器
工业机器人
服务机器人
清洁机器人
交付机器人
餐饮机器人
家用机器人
教育机器人
网真机器人
扫地机器人
医疗机器人
垃圾回收机器人
消毒机器人
娱乐机器人
看护机器人
迎宾机器人
管道机器人
导购机器人
厨房机器人
性爱机器人
服务机器人
特种机器人
消防机器人
测绘机器人
农业机器人
安保和巡逻机器人
应急和救援机器人
探测和监控机器人
水下机器人
仿真机器人
格斗机器人
攀爬机器人
扫雷机器人
战斗机器人
特种机器人
自动化系统
分拣系统
拣选系统
自动化仓储
仓储辅助
技术软件
输送系统
智能仓库
解决方案
自动化系统
零部件
定位组件
结构组件
导引组件
驱动单元
控制单元
机械部件
传感器
移动底盘
驱动轮
电池
电机
充电机
继电器
控制器
制动器
减速机
执行器
轴承
搭载机构
站点识别
通讯模块
电子标签
触摸屏
配套物流设备
零部件
产品首页
最新供应
自动导向车
工业机器人
服务机器人
特种机器人
自动化系统
零部件
您的位置:
首页
>
产品
>
零部件
> 产品详情
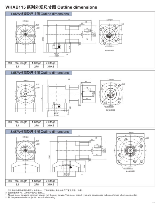
WHAB 系列精密行星齿轮减
最小起订:
1
供货总量:
有效期至:
长期有效
更新时间:
2020-02-11 10:20
立即询价
加入收藏
普通商家
杭州行星传动设备有限公司
经营模式:
配套件供应商 工业机器人厂商
地区:
中国浙江省杭州市
电话:
400-003-8030
进入店铺
联系方式
分享到:
热门推荐
红波HBS1-AW按钮开关
镭神智能:车规级混合固态激光雷达
法阿姆 LiTraction
乐亿通:叉车锂电80V420Ah
和利时:AGV用二合一直流伺服驱动器
科聪 SLIM
同毅直驱电机
讯普AGV Safe 锂电池EV系列
企业推荐产品
更多>
WPL/WPF系列精密行星齿轮减速机
PL/PF系列精密行星齿轮减速机
WHAB 系列精密行星齿轮减
轴承
产品详情
产品参数
产品图片