发布询价单
您的位置:首页 > 产品 > 工业机器人 > 产品详情

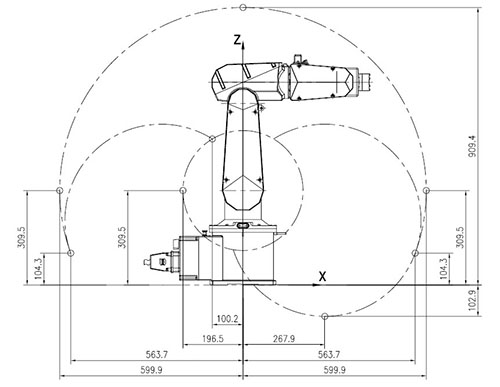
GR600工业机器人

GR600工业机器人

  • 最小起订:1 
  • 供货总量:
  • 有效期至:长期有效
  • 更新时间:2017-09-01 13:16
  • 立即询价

    加入收藏

    中国AGV网(www.chinaagv.com)客服咨询

普通商家

产品详情

产品参数

产品图片

GR600工业机器人

Industrial Robot


特点

具有自主知识产权的六关节工业机器人; 

轻量化、小型化,便于安装维护;

开放式底层控制系统;

负载5Kg,重复定位精度达0.01mm,可根据用户需要定制,满足特种需求。


应用领域

应用于生产线、物料搬运、抓取、零部件检测、教育、科研等领域。


性能参数