发布询价单
您的位置:首页 > 产品 > 零部件 > 电机 > 产品详情

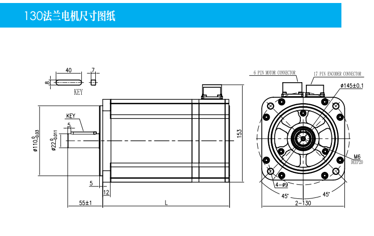
同毅TLSM系列低压伺服电机

同毅TLSM系列低压伺服电机
同毅TLSM系列低压伺服电机
同毅TLSM系列低压伺服电机

  • 品牌:同毅
  • 最小起订:1 台
  • 供货总量:1000000 台
  • 发货期限:20 天内发货
  • 有效期至:长期有效
  • 更新时间:2020-06-03 16:44
  • 立即询价

    加入收藏

    中国AGV网(www.chinaagv.com)客服咨询

普通商家认证商家

产品详情

产品参数

产品图片

● 产品概述

    同毅TLSM系列低压伺服电机,是同毅自主研发的低压交流永磁同步电机,支持24V-72V电压范围及宽泛的额定转速,电机功率范围从50W-5KW不等,广泛应用与移动式机器人、AGV、关键机器人等领域。