G138系列工业等级增量型编码器
最大脉冲1024线
* 全金属外壳,双轴承结构,无螺丝一次机压密封,高防护等级
* 10~30V超宽工作电压
* 三相六通道兼容NPN PNP,适用所有PLC和变频器
* 电源极性保护,短路保护,接错线也不会造成编码器损坏
* 含反向抗干扰信号,信号可稳定远传
五星级产品标准:
☆欧洲标准工业等级:外壳采用全金属无螺丝一次性密压,防护等级可达IP67,可有效防止呼吸性水汽以及沙尘侵入。
☆电源极性保护:5-24V宽工作电压,直流工作电源正负对调也不会造成编码器损坏,避免现场调试接线错误时导致的编码器损毁,并含有短路保护,可有效预防现场因雷击等原因造成的编码器损毁。
☆广泛兼容性:可兼容任意日系NPN、德系PNP的PLC接口,应用更加广泛。
☆温度防护等级:-40°~80°工作温度,可满足极度恶劣的严寒工作环境。
☆3相6通道:含反相抗干扰信号,抗干扰能力强。
特性参数:
工作电压:10-30V dc
消耗电流:40mA(空载)
输出信号:兼容任意NPN或PNP的差分、集电极、推挽输出
分辨率: 1000,1024
最高频率:100KHz
工作温度:-25~80°(-40°可订制)
储存温度:-40~80°
防护等级:外壳IP67
振动冲击:10g, 10~2000Hz; 100g, 6ms
允许转速:3000R
连接电缆:1米8芯屏蔽电缆侧出(其他方式订货可选)
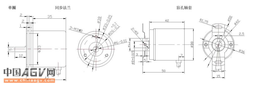
外形尺寸:(单位:mm):

HTL-G6技术标准:
1.全金属外壳
2.可兼容所有PLC和变频器增量接口(NPN/PNP,推挽/集电极/差分)
3.5-30Vdc超宽工作电压
4.含电源极性以及短路保护
5.3相6通道信号输出,完美解决干扰问题
6.符合国际标准ROHS环保认
增量型编码器知识介绍
一、增量型编码器
增量型编码器是能够根据旋转运动产生信号的编码器,其刻度方式为每一个脉冲都进行增量计算,因此得名。它常和机械转换装置一起使用(如齿条-齿轮、测量轮或心轴一起使用),用于测量直线运动。
增量型编码器是直接利用光电转换原理输出三组方波脉冲A、B和Z相;AB两组脉冲相位相差90°,从而可以方便的判断出旋转方向,而Z相每转一个脉冲,用于基准点定位。
二、增量编码器的输出信号
信号输出的匹配:增量编码器的连接,首先最重要的是清楚编码器的信号输出形式与接收设备的匹配问题。选编码器或选接收设备一定要两者信号形式的匹配。增量编码器的信号输出从波形上看,分正余弦输出(sin/cos)与方波输出两种。如下图

1、正余弦输出(sin/cos)的信号是模拟量变化的信号周期,又分电压输出1Vpp和电流输出11uApp,这两种输出一般PLC都没有接口,大部分是连接专用的运动控制卡,其内部可做细分而获得更高的分辨率和动态特性,也有连接专用的细分盒再细分后输出方波的,选型时搞清楚是电压输出还是电流输出(现在大部分是电压输出了)。
2、方波输出的也有分集电极开路输出(NPN或PNP)、电压输出、差分长线驱动、推挽式输出等。
(1)集电极开路输出就是类晶体管放大电路,三极管放大集电极开路输出,依据三极管的极性,分NPN与PNP ,后接收设备选型要匹配不可选错,这种输出电路简单经济,但选型面窄,传递距离根据放大管有远有近,但总体传递距离不远,且保护不够,较易损坏,大部分用在单机设备上而不是工程项目中。这种输出的电压依据供电,有5—12V 输出和12-24V 输出,这也要搞清楚才能确保信号的连接。
(2)电压输出,就是在集电极开路输出的反相增加一个电阻,构成一个极性是PNP或NPN ,而另一个极性是电压,实际上就是NPN+电压或PNP+电压,这是针对是PNP的或NPN的形式的接收设备的一种权宜,便于两者都可以连接,但现在这种电压接口往往已经做在了经济型PLC上了,如果是那样的PLC ,还是应该直接选集电极开路输出的,或电压型的极性相当的编码器,因为如果选电压输出型的编码器PNP+电压的,而连接的PLC是NPN+电压的,就会有漏电流而产生错误。
(3)差分长线驱动(line drive),(有的欧洲的编码器用TTL5V来表示,是相对于后面介绍的HTL的),这是一种差分放大电路,大部分是5V,提供A+、B+、Z+及其180度反相的A-、B-、Z-,读取时,以A+与A-的差分值读取,对于共摸干扰有抑制作用,传递距离较远,由于抗干扰能力较强,在运动控制(数控机床)中用得较多。
(4)推挽式放大,有的欧洲的编码器用HTL表示,其相当于NPN+PNP的推挽放大,而且大部分有标准的集成放大电路,根据供电,输出有10—30V,对于接收设备的兼容性强,信号强而稳定,如果再有与差分长线驱动一样有反相信号的话,因信号电压高,传递最远,差分传递及接收,抗干扰最好,工程项目或大型设备中,首选推挽式输出,而在较远传递或大变频电机工况下,又要选具有反相输出的推挽式输出编码器(例如ABB变频控制器,就有这样的接口:A+/A-,B+/B-,Z+/Z-)。
重型机械现场工作环境恶劣,干扰严重,集电极开路输出信号的编码器容易损坏,所以不适合用在重型机械上,而差分信号只有5V供电,在推挽电路中有3通道和6通道之分, HTLG6推挽6通道提供A、A-,B、B-,Z、Z-连接,由于带有对称负信号的连接,电流对于电缆贡献的电磁场为0,衰减最小,抗干扰最佳,可传输较远的距离。所以HTLG6推挽6通道的增量编码器适合用在重型机械上,具有抗干扰好,传输距离远的特点。
三、增量脉冲编码器的抗干扰问题
1、增量脉冲信号的抗干扰问题,有三个方面组成:
信号源(即编码器)及信号种类的抗干扰;
信号传递过程的抗干扰;
信号接收器的抗干扰。
而事实上编码器的抗干扰能力才是真正的核心问题。如果选择的编码器不具备抗干扰能力,再去讨论抗干扰怎么做毫无意义。
2、选择编码器及信号种类,要考虑编码器的抗干扰问题
1)首先,输出信号通道A、B、Z都要含有反相通道,即在编码器输出上要看到有A+,A-,B+,B-,Z+,Z-。有三种这种6通道含方向输出信号的:5V差分输出(长线驱动),10-30V HTL(推挽式含反相6通道),5-30V差分推挽6通道(全兼容的G6,兼容差分和集电极开路)。
编码器的反相信号,无论是在编码器内部、传输与接收,A+与A-都形成一种平衡,尤其是选用了双绞屏蔽电缆后,从外部电磁场来看是平衡后电缆上没有交变电磁场变化,也就最不易受到干扰。而作为接收段选用差分接收(差分就是做减法)方式,将在A+与A-两条线上做减法抵消了外部加入的干扰。即使接收端是三线式的ABZ不含反相信号输入,也建议仍然选用双绞屏蔽线,A-,B-,Z-悬空不接,因为编码器信号是电压型的,在电缆上即使不接负载仍然有电压,在电缆上同样有电磁场平衡效果而具有抗干扰功效。
至于集电极开路输出的NPN和PNP型信号,即使选用双绞屏蔽接地,然而也是没有什么物理意义的,这种信号是几十年前的应用,那时变频器开关电源等各种可能的干扰源还很少。现在工业应用周边电气设备已经越来越多,如果碰到干扰问题,这种信号类型的编码器应该直接放弃,改换具有抗干扰能力的推挽式6通道信号编码器。推挽式6通道信号编码器同时兼容PNP和NPN,是可以直接替换的。
其次,是编码器工作电源要能是宽电源及信号是双向的。干扰影响的另外一个明显的途径是对编码器的工作电源的干扰,通过电源而影响到内部传感器和电路。大部分选用宽电源的编码器厂家,表明对于编码器工作电源有过专门的设计和选择(10—30V,或者5—30V。如果是5V差分,是4.5V-5.5V)。双向信号是指长线驱动和推挽信号,而不是集电极开路。集电极开路信号是信号线与编码器工作电源的0V线公用的,前面说到的接地就是解决这个干扰引入的问题。干扰从物理学上来讲,就是一个非正常的能量对于一个正常的能量(信号)的影响,抗干扰影响就像大禹治水,既要堵(屏蔽),又要疏(双向顺走)。集电极开路信号与电源0V公用,而且是单方向的,干扰能量只能从一个方向从0V走掉,而另一个方向的干扰能量会残留在电气系统中反复影响波形能量。长线驱动型信号是A+对A-(正信号),或者A-对A+(负信号),信号不经过0V,而且是双向顺走干扰能量影响,所以抗干扰效果最好。推挽式的信号是信号对0V(公用),所以也要做好接地,但是推挽信号是双向的,可以在每次脉动中顺走干扰能量。如果推挽式含反相信号,可以通过相互的反相信号中和干扰能量。
综上所述编码器的信号应选用具有反相信号的6通道信号,例如5V差分,10-30V的HTL推挽式含反相6通道,5—30V的差分推挽式6通道信号。编码器的工作电源应选用宽电源。
3)加长电缆试验(见附图),对于一个编码器用户,无法了解编码器内部传感器与电路,可以通过连接加长电缆线后的静态与动态的测试.了解编码器的信号能力.例如信号线加长30米(至少是30米以上),100米,200米
静态测试信号电压:信号经长距离电缆后的电压降衰减,也就是信号驱动能力(编码器静态不转的测试电压比);例如24V推挽式信号,经过100米电缆后信号电压在无负载的情况下测试电压降应该不大于2V压降衰减。(24V在100米电缆后无负载检测应高于22V)
动态测试示波器波形:编码器信号经长距离电缆后的波形失真情况对比(在编码器旋转状态下的示波器信号对比,例如1000线脉冲在1000RPM旋转下的100米电缆前后的对比)。
外部:屏蔽线,外壳,轴承,底座等对于干扰的屏蔽或引入。首先是直接看外壳--全金属外壳,最好是外径圆上没有螺丝铆钉。圆形的全金属外壳,就是一个很好的金属屏蔽层,对编码器的内部起到屏蔽保护的作用。最好外径圆上没有螺丝,金属外壳一般是铝材质成型的,而螺丝一般是铁质,两者的电导电介质系数是不一样的,有螺丝的存在(插入),外圆圆度破坏了,会影响到全圆度的金属屏蔽效果。而电缆屏蔽线、转轴及轴承、底座,如果是已经选用了含有反相6通道的信号,不用讨论怎么接地,绝缘悬空。