发布询价单
您的位置:首页 > 产品 > 零部件 > 减速机 > 产品详情

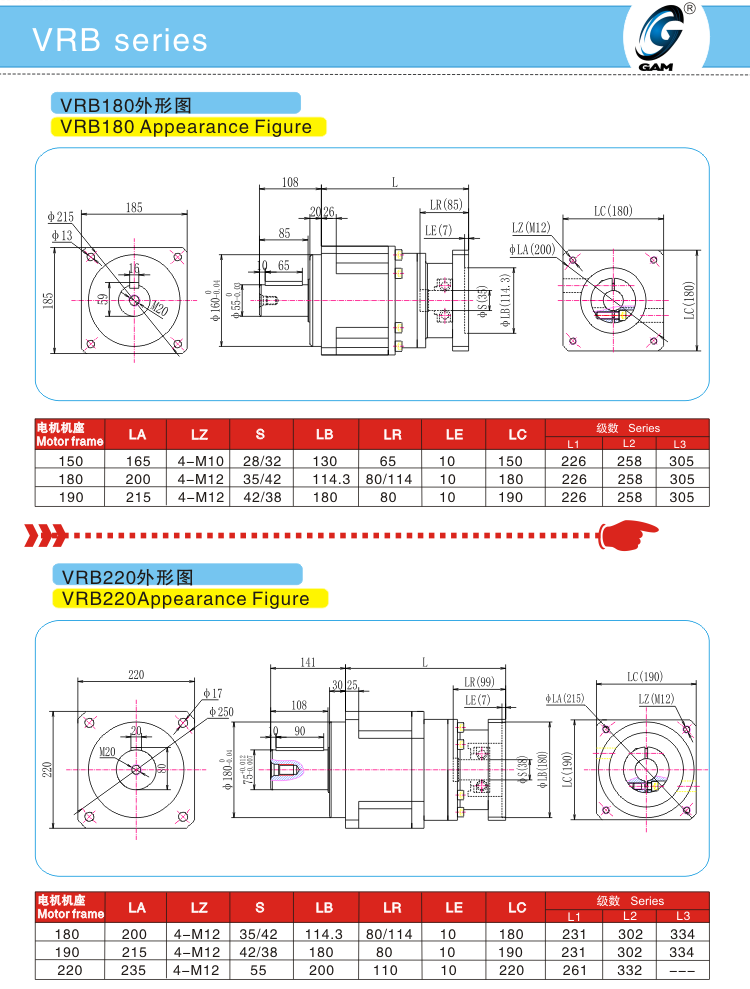
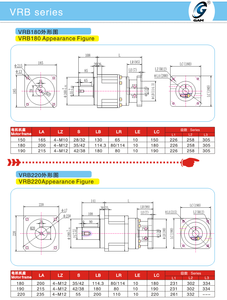
VRB精密行星减速机

VRB精密行星减速机

  • 品牌:帝悦
  • 最小起订:1 
  • 供货总量:100 
  • 发货期限:15 天内发货
  • 有效期至:长期有效
  • 更新时间:2019-05-29 16:12
  • 立即询价

    加入收藏

    中国AGV网(www.chinaagv.com)客服咨询

普通商家

热门推荐

产品详情

产品参数

产品图片

VRB系列精密行星齿轮减速机提供了高性价比,应用广泛、经济实用、寿命长等优点,在伺服控制的应用上,发挥了良好的伺服刚性效应,准确的定位控制,在运转平台上具备了中低背隙,高效率,高输入转速,高输入扭矩,运转平順,低噪音等特性,外观及结构设计轻小。使用终身免更换的润滑油,及无论安装在何处 ,都可以免维修操作全封闭式设计,并且具有IP65的保护程度,因此工作环境差时亦可使用。