TiM3xx 是激光扫描仪的下一代产品。该传感器使用新型的 HDDM 技术,该技术凭借极高的测量准确度和环境光抗扰度将机器停机时间降至最低。TiM3xx 的设计实现了达 4 m 的监控区–并且其位于极紧凑的外壳内。通过“触摸和示教”功能,现在无需电脑就能设置监控区。其 16 个预配置的区域组(各包含 3 个区域),这些区域组通过输入开关控制进行选择,能实现快速、简单的调试。TiM3xx 是灵活、低成本且易于操作的激光扫描仪,用于物流和工厂自动化的动态和静态应用。凭借其低消耗功率和坚实、符合工业的设计,TiM3xx 最适合用于无人运输车 (FTF) 和其他车辆。可选配保护外壳和震动吸收器。

|
性能概述 |
客户权益 |
|
无需电脑就能设置“触摸和示教”参数 小巧、轻便且节能的传感器 包含智能软件算法的评估区域 参数接口,可以从安装设备的一侧触及 是市场上结构最紧凑的激光扫描仪之一 符合工业的设计 低消耗功率(标准 4 W) |
无需电脑就能设置“触摸和示教”参数 小巧、轻便且节能的传感器 包含智能软件算法的评估区域 参数接口,可以从安装设备的一侧触及是市场上结构最紧凑的激光扫描仪之一 符合工业的设计 低消耗功率(标准 4 W) |
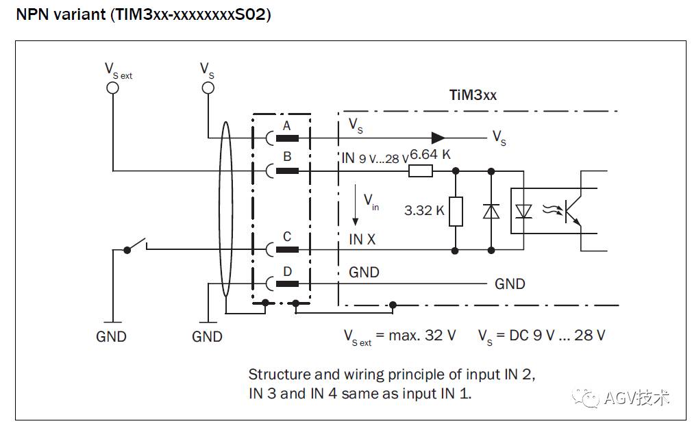
TIM输入控制

TIM输出控制


|
|
|||
|
PIN# |
线缆颜色 |
信号 |
功能 |
|
1 |
红色Red |
DC 9V-28V |
供电电压 |
|
2 |
紫色Purple |
N.C. |
|
|
3 |
黄色Yellow |
N.C. |
|
|
4 |
红黑Red+Black |
OUT4 |
开关量输出4(定位/错误) |
|
5 |
黑色Black |
GND |
|
|
6 |
浅蓝Light blue |
N.C. |
|
|
7 |
深蓝Dark blue |
N.C. |
|
|
8 |
青绿或浅灰 turquoise/light gray |
IN1 |
|
|
9 |
绿色Green |
IN2 |
|
|
10 |
灰色Gray |
IN3 |
|
|
11 |
粉丝Pink |
IN4 |
|
|
12 |
棕色Brown |
OUT1 |
开关量输出 1(最内层) |
|
13 |
橙色Orange |
OUT2 |
开关量输出 2(中间层) |
|
14 |
白色White |
OUT3 |
开关量输出 3 (最外层) |
|
15 |
白黑White+Black |
PNP:INGND NPN:IN 9V-28V |
输入共端 (PNP 型接 GND,NPN 型接 VCC) |
|
|
屏蔽层Metal |
|
|
|
产品特点 |
|
|
应用领域 |
Indoor |
|
开关输入端 |
4 |
|
输出信号开关装置 |
3 (NPN, 另外,1 x“Device Ready(设备就绪)”) |
|
延迟时间 |
134 ms ... 30,000 ms (可调) |
|
待机时间 |
67 ms ... 10,000 ms (可调) |
|
光学信号 |
2 LEDs (ON, 开关状态) |
|
性能 |
|
|
响应时间 |
Typ. 134 ms |
|
可识别的物体形状 |
几乎任何形状 |
|
系统错误 |
± 40 mm 1) |
|
持续错误 |
30 mm 1) |
|
集成应用 |
包含灵活区域的评估区域 |
|
区域组数量 |
16 三区域 (48 区域, 其中 1 个三区域(3 个机动区域)可直接在扫描仪上进行配置) |
|
同步的评估情况 |
1 (3 区域) |
|
接口 |
|
|
USB |
✔ |
|
备注 |
Micro-USB |
|
开关输入端 |
4 |
|
输出信号开关装置 |
3 (NPN, 另外,1 x“Device Ready(设备就绪)”) |
|
延迟时间 |
134 ms ... 30,000 ms (可调) |
|
待机时间 |
67 ms ... 10,000 ms (可调) |
|
光学信号 |
2 LEDs (ON, 开关状态) |
|
机械/电子参数 |
|
|
电气连接 |
1 x 12 针 M12 设备插头 (0.8 m) |
|
工作电压 |
9 V DC ... 28 V DC |
|
功耗 |
Typ. 4 W |
|
外壳颜色 |
淡蓝色 (RAL 5012) |
|
外壳防护等级 |
IP65 (IEC 60529:1989+AMD1:1999+AMD2:2013) |
|
防护等级 |
III (IEC 61140:2016-1) |
|
重量 |
150 g, 无连接电缆 |
|
环境参数 |
|
|
物体反射率 |
4 % ... > 1,000 % (反色器) |
|
电磁兼容性 |
IEC 61000-6-3:2006+AMD1:2010 / IEC 61000-6-2:2005 |
|
抗振动 |
IEC 60068-2-6:2007 |
|
抗冲击能力 |
IEC 60068-2-27:2008 |
|
工作环境温度 |
–10 °C ... +50 °C |
|
储存温度范围 |
–30 °C ... +70 °C |
|
抗环境光能力 |
15,000 lx |

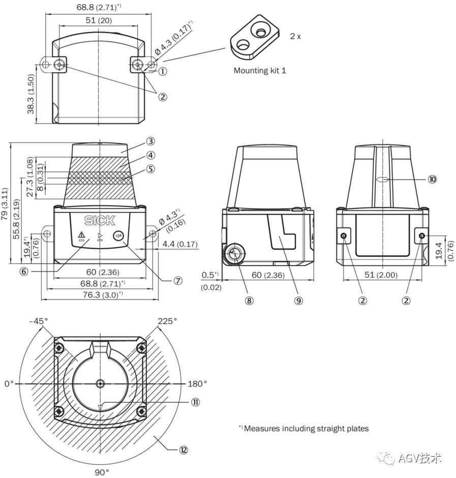
TIM机械尺寸图

2025-11-08 18:48
2025-11-08 18:47
2025-11-08 18:46
2025-11-08 18:44
2025-11-07 11:59
2025-11-07 11:59
2025-11-07 11:57
2025-11-07 11:54
2025-11-07 11:53
2025-11-07 11:50

